Двери с передаточным окном

АЛЮМИНИЕВЫЕ

Цена   договорная

Двери предназначены для установки в чистых помещениях фармацевтической, электронной, пищевой, медицинской, микробиологической и других отраслях промышленности, на объектах Минобороны РФ, в медицинских учреждениях.

Описание

Гигиеническое исполнение двери определяет ее конструктивные особенности: обе поверхности дверной коробки, выполнены заподлицо с поверхностями дверного полотна, поверхности дверного полотна гладкие, контур уплотнения двойной из специального термоэластопласта, зазор под дверью герметизируется специальным профилем или опускающимся порогом, покрытие устойчиво к воздействию дезинфицирующих средств и УФ-облучения.

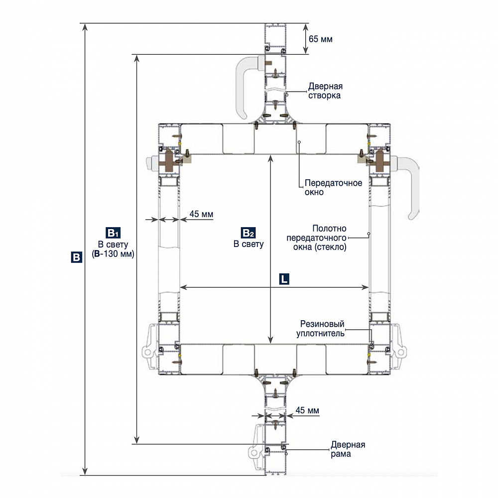
При необходимости дверь оснащается передаточным окном, при этом параметры встроенного окна указываются отдельно. Ширина окна должна быть меньше двери как минимум на 532 мм.

Стандартный цвет дверей – белый RAL 9003. Дополнительно заказчик может выбрать другой цвет по каталогу RAL.

В КОМПЛЕКТ ВХОДИТ

Комплект нащельников 1 шт.

Комплект крепежа 1 шт.

ДОПОЛНИТЕЛЬНЫЕ И СВЯЗАННЫЕ ПРОДУКТЫ

Облицовочные стеновые панели

Стеновые перегородки из сэндвич-панелей

Элементы обрамления

УСЛОВНОЕ ОБОЗНАЧЕНИЕ ПРИ ЗАКАЗЕ:

1. ДА - дверь алюминиевая

2. АМС - производитель

3. О - одностворчатая распашная

4. ОП - окно передаточное

5. заполнение
ГЛ - глухое

6. наличие замка
З - с замком
Б - без замка

7. тип ручки
Н - нажимная
П - тип «П»

8. порог
СП - с порогом
БП - без порога
СПП - с плавающим порогом

9. 1350-2100 - заказной размер (В х Н), мм

10. исполнение
ПР - правое
ЛЕВ - левое

11. окантовка косяка профилем ПП
3ПП - с трех сторон
БПП - без окантовки

12. ОА - передаточное окно алюминиевое

13. заполнение
ОП – остекление полностью
ГЛ – глухое

14. размеры
700 – размер по высоте камеры (Н2), мм
400 – размер по ширине камеры (В2), мм 450 – размер по глубине камеры (L), мм

15. исполнение двери со стороны петель
ПР – правое
ЛЕВ – левое

16. исполнение двери с обратной стороны петель
ПР – правое
ЛЕВ – левое

17. расположение таймера ПО
ТМ.ПТ – со стороны петель
ТМ.ОБ – с обратной стороны петель

18. наличие блокировки дверей
СБ – с блокировкой
ББ – без блокировки

19. наличие УФО
У – с УФО
БУ – без УФО

20. RAL9003 – цвет двери

Возможен заказ только дверей.

К комплекту прилагается монтажный чертеж.


Технические характеристики

Исполнение Материал вставки двери Материал внутри окна Заказные размеры В (min/max) x Н (min/max), мм Проходной размер при открытии полотна (размеры в свету), мм В1 Максимальный внутренний размер передаточного окна (размеры в свету), мм В2/Н2 Масса двери, кг/м2
Одностворчатая Оцинкованная сталь с ЛКП покрытием, Нержавеющая матовая сталь Нержавеющая сталь 600/1350 x 1900/2300 (В - 130) х (Н - 130) 400 x 700 25 кг
Шаг заказного размера 50 мм
*Рентгенозащитное исполнение - дополнительная опция, свинцовый лист толщиной 1-2 мм

технический

каталог

Оставить заявку на

Ограждающие конструкции - Двери с передаточным окном

С политикой конфиденциальности согласен